Группа компаний НПК «Завод модульного энергооборудования» предлагает купить блок управления приточной-вытяжной вентиляцией CHUT-E30-11 с доставкой по всей России, есть в наличии на складе!
Блок управления приточной-вытяжной вентиляцией CHUT-E30-11
Блок управления CHUT-E30-11 предназначен для управления приточно-вытяжной установкой вентиляции с нагревателем приточного воздуха электрического типа (электрическим воздухонагревателем - калорифером).
В корпусе шкафа управления размещены силовая часть, контроллер управления, защита по току, питание всех датчиков и силовых цепей.
Характеристики блока управления CHUT-E30-11
- Управление приточной и вытяжной установкой;
- Подключение электрических воздухонагревателей суммарной мощностью до 30 кВт;
- Приточный вентилятор однофазный, вытяжной вентилятор однофазный;
- Регулирование температурных параметров пропорционально-интегральное и каскадное;
- Плавное регулирование температуры приточного воздуха за счёт ступеней нагрева ТЭН-ов;
- Задержка отключения приточного вентилятора при работе с электрическим нагревателем;
- Управление и защита различных вентиляторов;
- Питание датчиков, сигнальных цепей и сервоприводов;
- Класс электроизоляции: II;
- Степень защиты: IP 65;
- Установка внутри помещений;
- Допустимая температура воздуха: от 0 до +50 °С.
Проектирование вентиляции
Монтаж вентиляции
Вентиляционное оборудование
Обслуживание и ремонт вентиляции
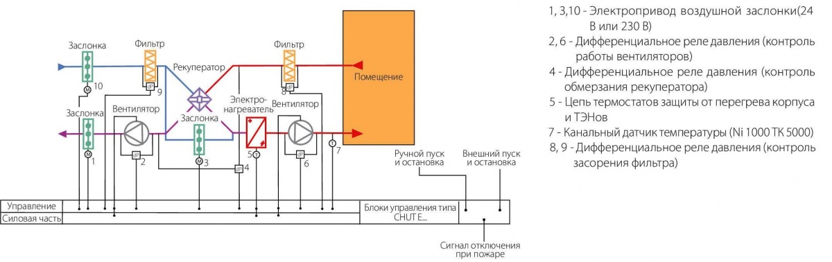
Обозначения блока управления CHUT-E30-11
Принципиальная схема блока управления CHUT-E30-11
Схема установки Блок управления CHUT-E30-11 - схема В.




